在線留言 收藏本站 網站地圖歡迎進入91香蕉国产在线观看软件偉業儀器儀表有限公司網站!

20年專注流體測控設備,暢銷全球近200個國家穩定性好、庫存充足、支持定製

服務熱線:17530107806

91香蕉国产在线观看软件儀表新聞中心
熱式質量香蕉视频黄下载采用什麽方式測量的

熱式質量香蕉视频黄下载采用什麽方式測量的

熱式質量香蕉视频黄下载采用熱擴散技術進行流量測量。測量探頭中有兩個溫度檢測元件(鉑熱電阻)、RTD1、RTD2和一個恒熱源HTR。RTD1用於測量流體介質本身的溫度,把它作為參比溫度RTD2緊靠著恒熱源HTR…
多普勒超聲波香蕉视频黄下载和時差式超聲波香蕉视频黄下载的區別

多普勒超聲波香蕉视频黄下载和時差式超聲波香蕉视频黄下载的區別

目前91香蕉国产在线观看软件見到的超聲波香蕉视频黄下载有兩種類型的超聲波香蕉视频黄下载,一種為多普勒超聲波香蕉视频黄下载,另一類為時差式超聲波香蕉视频黄下载。那麽這兩種超聲波香蕉视频黄下载有什麽區別嗎?大家一起和91香蕉国产在线观看软件儀表一塊來看看吧。第一種:多普勒超聲波香蕉视频黄下载…
插入式渦街香蕉视频黄下载價格

插入式渦街香蕉视频黄下载價格

想要確定插入式渦街香蕉视频黄下载價格定位,除了需要了解整個行業的報價之外,還要確定各種不同廠家的生產加工情況,因為很多因素都會導致價格定位出現正常的浮動,為了保證綜合性價比達到更高標準,滿足在實際應用過程中的…
插入式渦街香蕉视频黄下载功能異常該怎麽辦?

插入式渦街香蕉视频黄下载功能異常該怎麽辦?

插入式渦街香蕉视频黄下载雖然具有穩定的使用功能,在性能方麵很卓越,但難免在實際工作中會出現一些故障問題,尤其是很容易出現功能異常等情況,在這種情況下就會影響到正常的工作流程,如果想避免造成極大損失,建議要注意…
電磁香蕉视频黄下载傳感器測量的傳統方法是什麽?

電磁香蕉视频黄下载傳感器測量的傳統方法是什麽?

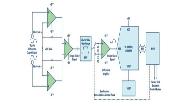
電磁香蕉视频黄下载傳感器測量的傳統方法大致上是模擬式—具有高輸入阻抗和高輸入共模抑製性能的前置放大器用來應對傳感器漏電流效應,然後是三階或四階模擬帶通濾波器和采樣保持級,最後是模數轉換。典型模擬前端方法如下圖…

91香蕉国产在线观看软件儀表香蕉福利视频导航

谘詢熱線

17530107806
網站地圖